走进博控

产品分类

新闻中心

人才中心

联系我们

产品展示

当前位置: 首页 > 产品中心 > 高压元器件 > 产品展示 > 高压成套开关柜 > KYN28-12金属铠装中置移开式开关设备

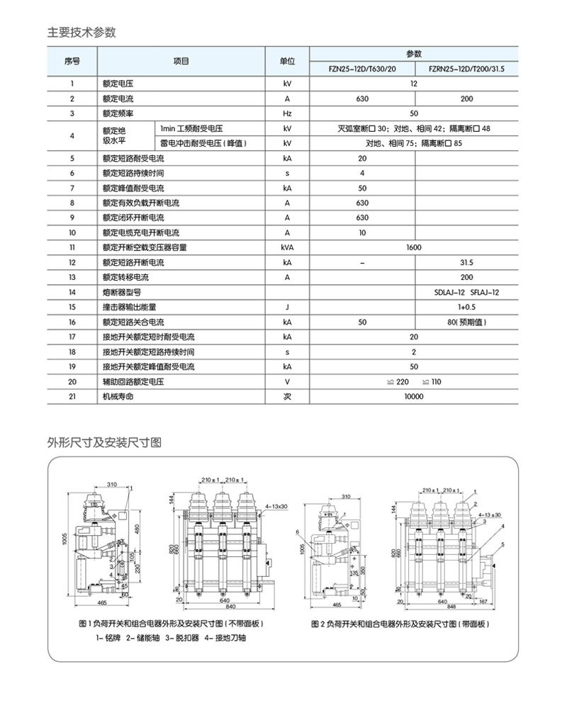
FZN25-12.FZRN25-12D


地址:乐清市经济开发区纬十六路191号
电话:0577-62713099
Q Q: 2851939069
邮箱:chbok001@163.com